电话:
86 400-863-2919
由于我们拥有全面和可变的成型解决方案,我们能够通过挤压成型生产各种棒材,也可以直接冲压坯料,如旋转坯料、圆盘刀具等。
根据应用情况开发的特殊牌号、内部设计的高精度冲压工具可提供更严格的公差控制,从而确保交付给您的产品具有更高的性能。
可选等级:
提供各种等级,如MH10F/uh12。
特点和应用:
圆盘铣刀毛坯主要用于加工有色金属,钢合金,不锈钢钛合金。
硬度高,易焊接,性能稳定
它也用于加工复合材料
他们可以做铣削槽和切削刀具
采用低压烧结技术,具有良好的致密化和高硬度。
适用于钢,铸铁,不锈钢,耐热钢,镍钛等的加工。
经过精确研磨,可以达到镜面效果表面。
| 等级 | 活页夹 | 硬度 | T.R.S | 密度 | 晶粒尺寸 | lSO代码 | |
| % | HRA | HV10 | ≥N/mm2 | 克/厘米3 | |||
| CK10H | 6 | 91.3 | 1530 | 2500 | 14.90 | 中 | K10 |
| 旋转钻头毛坯的ldeal等级。 | |||||||
| MH7 | 6 | 93.1 | 1850 | 3600 | 14.85 | 亚微米 | K10-K20 |
| 硬质合金带材的标准等级。用于切割Cu,Al等有色金属。 | |||||||
| MH10F | 10 | 91.8 | 1600 | 3800 | 14.45 | 亚微米 | K30 |
| 用于加工大多数钢的硬质合金带,圆盘刀具的标准等级。 | |||||||
| CS43 | 12 | 92.5 | 1720 | 4500 | 14.2 | 超细 | K40 |
| 硬质合金条,圆盘刀的标准等级。用于加工不锈钢。 | |||||||
以上数据为典型参数。

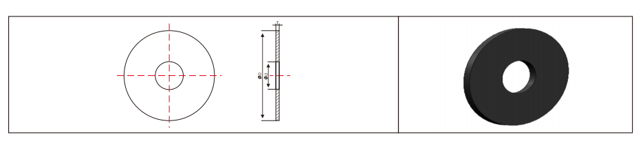
单位: mm
| 外径 (∅D) | 公差 | 内径 (∅D) | 公差 | 厚度公差 +0.2~0.3 |
非标准规格和牌号可根据客户要求提供,长度和外径可定制。
单位: mm
| 外径 (∅D) | 公差 | 内径 (∅D) | 公差 | 厚度公差 +0.2~0.3 |
非标准规格和牌号可根据客户要求提供,长度和外径可定制。
| D | 托尔。 | d | 托尔。 | T托尔。0.2 ~ 0.3 |
| 11.0 | 0/ 0.5 | 4.0 | -0.3/0 | 0.6 ~ 2.5 |
| 17.2 | 4.5 | |||
| 19.0 | 7.3 | |||
| 19.0 | 5.3 | |||
| 20.0 | 7.3 | 0.6 ~ 3.5 | ||
| 21.5 | 5.3 | |||
| 30.2 | 5.5 | |||
| 31.2 | 9.5 | |||
| 41.2 | 7.3 | 0.6 ~ 4.2 | ||
| 41.2 | 12.2 | |||
| 41.2 | 14.8 | -0.4/0 | ||
| 46.0 | 15.0 | |||
| 51.5 | 11.5 | 0.7 ~ 4.5 | ||
| 51.5 | 15.0 | |||
| 51.5 | 20.8 | |||
| 51.5 | 24.5 | |||
| 54.5 | 15.0 | |||
| 61.5 | 15.0 | |||
| 61.5 | 21.4 | |||
| 61.5 | 24.5 | |||
| 62.5 | 0/ 0.8 | 16.0 | 0.7 ~ 4.5 | |
| 62.5 | 14.7 | |||
| 62.5 | 15.8 | |||
| 64.5 | 14.8 | |||
| 66.5 | 14.5 | |||
| 66.5 | 15.0 | |||
| 66.5 | 21.0 | |||
| 71.5 | 14.5 | 0.7 ~ 5.0 | ||
| 71.5 | 15.3 | |||
| 71.5 | 24.5 | |||
| 71.5 | 20.5 | |||
| 75.5 | 20.5 | |||
| 75.5 | 15.0 | |||
| 75.5 | 24.0 | |||
| 81.5 | 20.5 | |||
| 81.5 | 24.5 | |||
| 102.0 | 0/ 1.0 | 20.5 | ||
| 102.0 | 65.0 | -0.7/0 | ||
| 109.0 | 60.0 | |||
| 152.0 | 30.5 | -0.5/0 |
以上数据为典型参数。


单位: mm
| 厚度 (T) | 公差 | 宽度 (W) | 公差 | 长度 (L) | 公差 |
非标准规格和牌号可根据客户要求提供,长度和外径可定制。
| T (mm) | 托尔。 | W(mm) | 托尔。 | L(mm) | 托尔。 |
| 1.5-4.0 | + 0.2/+ 0.5 | 4.0 | + 0.2/+ 0.7 | 330 | + 1.0/+ 6.0 |
| 1.5-5.0 | 5.0 | ||||
| 1.5-6.0 | 6.0 | ||||
| 1.5-7.0 | 7.0 | ||||
| 1.5-8.0 | 8.0 | ||||
| 1.5-10.0 | 10.0 | ||||
| 1.5-12.0 | 12.0 | ||||
| 2.0-8.0 | 14.0 | ||||
| 2.0-8.0 | 15.0 | ||||
| 2.0-8.0 | 16.0 | ||||
| 2.0-8.0 | 18.0 | ||||
| 2.0-8.0 | 20.0 | ||||
| 2.0-8.0 | 22.0 | ||||
| 2.0-8.0 | 25.0 | ||||
| 2.0-8.0 | 26.0 | ||||
| 2.0-8.0 | 30.0 | ||||
| 2.0-8.0 | 32.0 | ||||
| 2.0-8.0 | 35.0 | ||||
| 2.0-8.0 | 40.0 | ||||
| 2.0-8.0 | 45.0 |
以上数据为典型参数。
您的成功始于点击: 立即联系我们!