电话:
86 400-863-2919
凭借我们全面且多样化的成型解决方案,我们能够通过挤压成型生产各种类型的棒材,并可直接压制各种毛坯,例如旋转锉毛坯、圆盘刀具等。
根据应用需求开发的特殊牌号,以及自主研发的高精度冲压模具,能够实现更严格的公差控制,从而确保交付给您的产品具有更高的性能。

| T (mm) | Tol. | W(mm) | Tol. | L(mm) | Tol. |
| 1.5-4.0 | +0.2/+0.5 | 4.0 | +0.2/+0.7 | 330 | +1.0/+6.0 |
| 1.5-5.0 | 5.0 | ||||
| 1.5-6.0 | 6.0 | ||||
| 1.5-7.0 | 7.0 | ||||
| 1.5-8.0 | 8.0 | ||||
| 1.5-10.0 | 10.0 | ||||
| 1.5-12.0 | 12.0 | ||||
| 2.0-8.0 | 14.0 | ||||
| 2.0-8.0 | 15.0 | ||||
| 2.0-8.0 | 16.0 | ||||
| 2.0-8.0 | 18.0 | ||||
| 2.0-8.0 | 20.0 | ||||
| 2.0-8.0 | 22.0 | ||||
| 2.0-8.0 | 25.0 | ||||
| 2.0-8.0 | 26.0 | ||||
| 2.0-8.0 | 30.0 | ||||
| 2.0-8.0 | 32.0 | ||||
| 2.0-8.0 | 35.0 | ||||
| 2.0-8.0 | 40.0 | ||||
| 2.0-8.0 | 45.0 |
以上数据为典型参数。

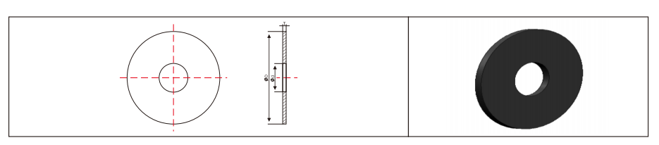
| D | Tol. | d | Tol. | T ToL.+0.2~0.3 |
| 11.0 | 0/+0.5 | 4.0 | -0.3/0 | 0.6~2.5 |
| 17.2 | 4.5 | |||
| 19.0 | 7.3 | |||
| 19.0 | 5.3 | |||
| 20.0 | 7.3 | 0.6~3.5 | ||
| 21.5 | 5.3 | |||
| 30.2 | 5.5 | |||
| 31.2 | 9.5 | |||
| 41.2 | 7.3 | 0.6~4.2 | ||
| 41.2 | 12.2 | |||
| 41.2 | 14.8 | -0.4/0 | ||
| 46.0 | 15.0 | |||
| 51.5 | 11.5 | 0.7~4.5 | ||
| 51.5 | 15.0 | |||
| 51.5 | 20.8 | |||
| 51.5 | 24.5 | |||
| 54.5 | 15.0 | |||
| 61.5 | 15.0 | |||
| 61.5 | 21.4 | |||
| 61.5 | 24.5 | |||
| 62.5 | 0/+0.8 | 16.0 | 0.7~4.5 | |
| 62.5 | 14.7 | |||
| 62.5 | 15.8 | |||
| 64.5 | 14.8 | |||
| 66.5 | 14.5 | |||
| 66.5 | 15.0 | |||
| 66.5 | 21.0 | |||
| 71.5 | 14.5 | 0.7~5.0 | ||
| 71.5 | 15.3 | |||
| 71.5 | 24.5 | |||
| 71.5 | 20.5 | |||
| 75.5 | 20.5 | |||
| 75.5 | 15.0 | |||
| 75.5 | 24.0 | |||
| 81.5 | 20.5 | |||
| 81.5 | 24.5 | |||
| 102.0 | 0/+1.0 | 20.5 | ||
| 102.0 | 65.0 | -0.7/0 | ||
| 109.0 | 60.0 | |||
| 152.0 | 30.5 | -0.5/0 |
以上数据为典型参数。
您的成功始于点击: 立即联系我们!